Osobine
Osobine motora: Pripremamo dokumentaciju, biće dostupne uskoro.
( KORISNIČKO UPUTSTVO
) Trenutno nedostupno.
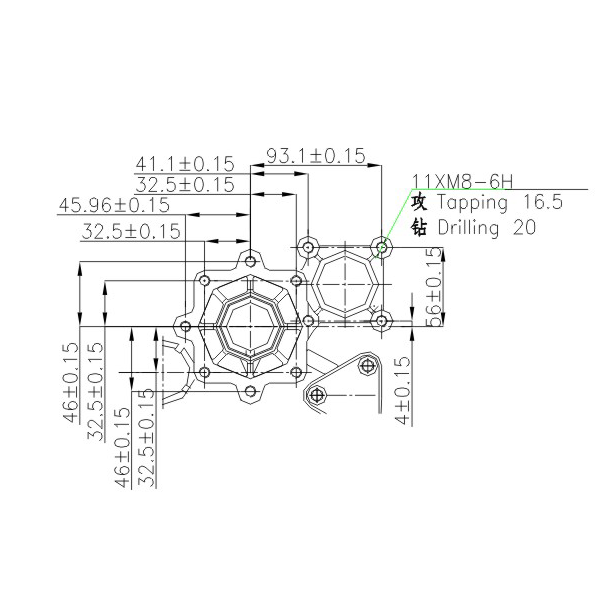
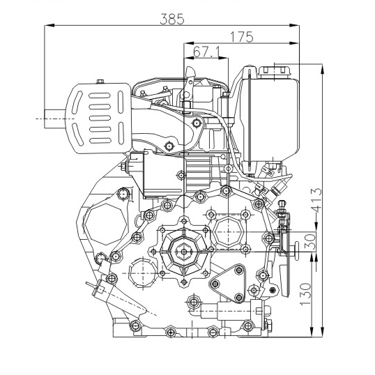
Tehnički podaci
| Model | D230F (LC170F) | D350F (LC178F) | D460F (LC188F) | D460FD (LC188FD) |
| Tip motora | Jednocilindrični, vertikalni, četvorotaktni, prinudno vazdušno hlađenje, direktno ubrizgavanje | Jednocilindrični, vertikalni, četvorotaktni, prinudno vazdušno hlađenje, direktno ubrizgavanje | Jednocilindrični, vertikalni, četvorotaktni, prinudno vazdušno hlađenje, direktno ubrizgavanje | Jednocilindrični, vertikalni, četvorotaktni, prinudno vazdušno hlađenje, direktno ubrizgavanje |
| Zapremina | 227 cm3 | 349 cm3 | 462 cm3 | 462 cm3 |
| Prečnik×Hod | 70mm × 59mm | 78mm × 73mm | 88mm × 76mm | 88mm × 76mm |
| Nominalna snaga | 3.3kW pri 3600 o/min | 4.9kW pri 3600 o/min | 7.5kW pri 3600 o/min | 7.5kW pri 3600 o/min |
| Obrtni momenat | / | 15.5N.m pri 2400 o/min | 24N.m pri 2400 o/min | 24N.m pri 2400 o/min |
| Prazan hod | 1800±100 o/min | 1300±100 o/min | 1300±100 o/min | 1300±100 o/min |
| Kompresija | 20 : 1 | 21 : 1 | 21 : 1 | 21 : 1 |
| Rotacija pogonskog (PTO) vratila | Suprotno kazaljci na satu (gledano od strane PTO) | Suprotno kazaljci na satu (gledano od strane PTO) | Suprotno kazaljci na satu (gledano od strane PTO) | Suprotno kazaljci na satu (gledano od strane PTO) |
| Buka | / | / | / | / |
| Sistem paljenja | Tranzistorsko, magnetno indukovano | Tranzistorsko, magnetno indukovano | Tranzistorsko, magnetno indukovano | Tranzistorsko, magnetno indukovano |
| Sistem startovanja | Ručno | Ručno | Ručno | Ručno, elektropokretač |
| Karburator | Leptir | Leptir | Leptir | Leptir |
| Podmazivanje | Prinudno podmazivanje | Prinudno podmazivanje | Prinudno podmazivanje | Prinudno podmazivanje |
| Sistem kontrole brzine | Centrifugalni | Centrifugalni | Centrifugalni | Centrifugalni |
| Filter vazduha | Sunđer, uljani | Sunđer, uljani | Sunđer, uljani | Sunđer, uljani |
| Zapremina ulja | 0.75L | 1.1L | 1.6L | 1.6L |
| Zapremina rezervoara za gorivo | 2.3L | 3.5L | 4.7L | 4.7L |
| Neto težina | 24kg | 43kg | 51kg | 55kg |
| Dimenzije | 335mm × 380mm × 415mm | 400mm × 440mm × 460mm | 399mm × 475mm × 500mm | 399mm × 475mm × 500mm |







